0
问答首页 最新问题 热门问题 等待回答标签广场
我要提问

电源电路电源

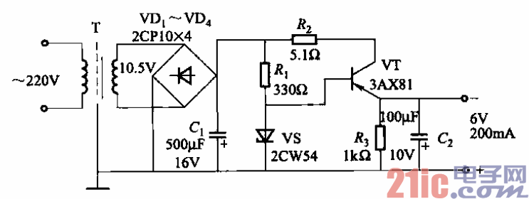
单管串联型晶体管稳压电源电路之二

单管串联型晶体管稳压电源电路之二
提问者:734747535qwe 地点:- 浏览次数:9665 提问时间:01-01 01:46
我有更好的答案
提 交
1条回答
60user178 01-07 23:11

20.单管串联型晶体管稳压电源电路之二.gif


它采用PNP型

三极管。它是晶体管收音机常用的稳压电源,输出电压为3—15V,电流为100~500mA。

输出电压从空载到满载允许有5%~10%的波动,电路都比较简单。根据要求的输出电压、

电流的不同,选择元件参数。

撰写答案
提 交
1 / 3
1 / 3
相关电源电路
无噪声的的功放电源电路
LG CF-25H84彩电开关电源电路
LG MC-8AA机心彩电开关电源电路
LG MC-022A机心彩电开关电源电路
LG MC-019A机心彩电开关电源电路
相关电源
TDA16846组成的彩电开关电源原理图
联想LX-PL4C2型彩色显示器开关电源电路
长虹CN-9机心彩电开关电源电路
索尼KV2184彩电开关电源电路
王牌TCL-3460D彩电开关电源电路