0
问答首页 最新问题 热门问题 等待回答标签广场
我要提问

电源电路电源

95V、100mA稳压电源电路

95V、100mA稳压电源电路
提问者:卧听桃花雨 地点:- 浏览次数:6621 提问时间:10-08 05:24
我有更好的答案
提 交
1条回答
TOPCB 10-10 03:29

29.95V、100mA稳压电源电路.gif29.95V、100mA稳压电源电路.gif


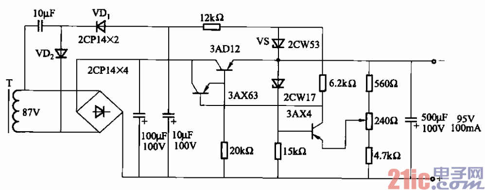
具有辅助电源的串联型稳压电源

电路如图中辅助电源是由二

极管VDi、VD2倍压整流后用硅稳压

管vs稳压而得。图14-30还采用差

动放大环节(由三极管VT3、VT4

组成)。

撰写答案
提 交
1 / 3
1 / 3
相关电源电路
无噪声的的功放电源电路
LG CF-25H84彩电开关电源电路
LG MC-8AA机心彩电开关电源电路
LG MC-022A机心彩电开关电源电路
LG MC-019A机心彩电开关电源电路
相关电源
TDA16846组成的彩电开关电源原理图
联想LX-PL4C2型彩色显示器开关电源电路
长虹CN-9机心彩电开关电源电路
索尼KV2184彩电开关电源电路
王牌TCL-3460D彩电开关电源电路