0
问答首页 最新问题 热门问题 等待回答标签广场
我要提问

电源电路电源

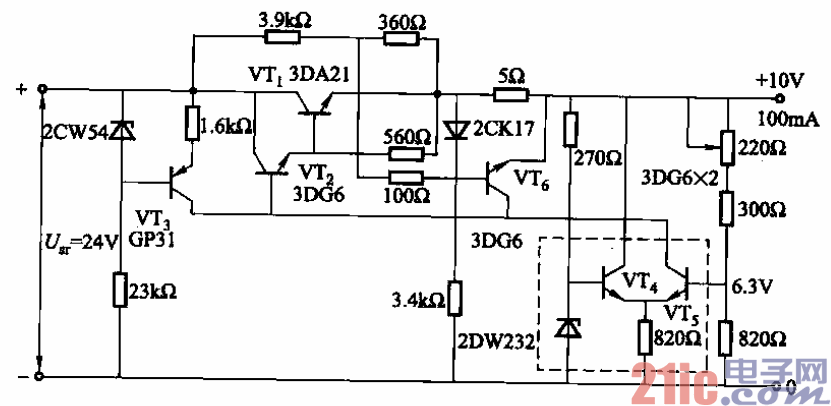
数-模转换用高稳定度稳压电源电路

数-模转换用高稳定度稳压电源电路
提问者:hsdfaz 地点:- 浏览次数:2407 提问时间:02-11 20:27
我有更好的答案
提 交
1条回答
taitoukantian 02-15 14:05

36.数-模转换用高稳定度稳压电源电路.gif


电路是数控装置中数一模转换用的稳压电源,输出电压为lov,电流为lOOmA。

    电路用恒流源VT3作为差动放大管VTs的负载,放大系数较大。输入电压经稳压后,

再通过本电路进行一次稳压。基准电压用具有温度补偿的稳压管2DW232获得,放大部分

为差动放大,并将差动放大管VT4、VTs和2DW232置于等温体中,故零点漂移很小。当

电网电压波动、负载变化及环境温度变化时,输出电压变化小于0.02%。

撰写答案
提 交
1 / 3
1 / 3
相关电源电路
无噪声的的功放电源电路
LG CF-25H84彩电开关电源电路
LG MC-8AA机心彩电开关电源电路
LG MC-022A机心彩电开关电源电路
LG MC-019A机心彩电开关电源电路
相关电源
TDA16846组成的彩电开关电源原理图
联想LX-PL4C2型彩色显示器开关电源电路
长虹CN-9机心彩电开关电源电路
索尼KV2184彩电开关电源电路
王牌TCL-3460D彩电开关电源电路