
开关式稳压电源、效率高、重量轻、发热量少,常用于彩色电视机、方波器、激光器、
电子计算机和数控装置。
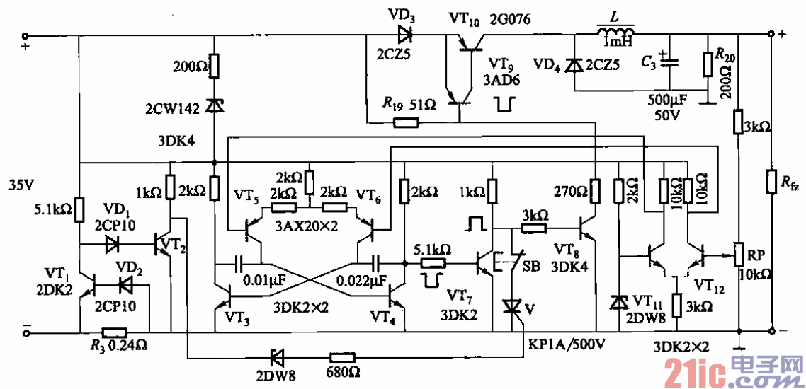
其大概工作原理如下:将电网交流电压直接整流得到脉动直流,再经脉宽变换器(多谐
振荡器)变换成20kHz左右的高频脉宽交变电压,然后进行整流滤波得到稳定的赢流。稳
压过程是利用电路储能作用来实现的。
电路如图它能输出电压20V、电流5A。该电源在输入电压为35V (1+
10%)时,输出电压7~26V范围内连续可调,最大电流5A,内阻0.1Q,纹波电压峰值
≤lOmA,过载保护电流6A。