0
问答首页 最新问题 热门问题 等待回答标签广场
我要提问

家用电器直流电路

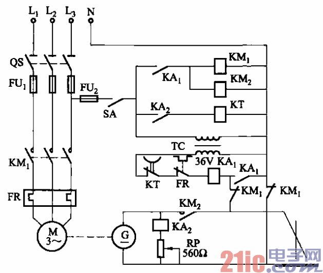
直流弧焊机空载自停电路之二

直流弧焊机空载自停电路之二
提问者:yichengming 地点:- 浏览次数:1986 提问时间:03-21 00:48
我有更好的答案
提 交
1条回答
水木清华pretty 03-26 03:48

39.直流弧焊机空载自停电路之二.gif


直流弧焊机空载自停电路之二

    电路如图所示。该电路仅适用于较长停机时间(约几分钟)的场合,不适用于频

繁启动。


 


直流弧焊机空载自停电路之二

撰写答案
提 交
1 / 3
1 / 3
相关家用电器
胆机cs8412+df1700+pcm58组合,廉价好声的电路电路图
胆机PCM1793电路图
用晶体管/三极管以PWM波形来驱动风扇的电路图
胆机TDA1541NOS DAC胆版电源电路图
有正反转功能变频器的可逆电路
相关直流电路
直流功率计电路图
直流伺服恒流功放电路图
交直流两用功放电路制作
纯直流场效应管功放电路原理图
直流电机的可逆原理