0
问答首页 最新问题 热门问题 等待回答标签广场
我要提问

电源电路运算放大电路电源

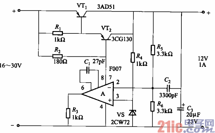
运算放大器稳压电源电路之二

运算放大器稳压电源电路之二
提问者:骑猪去天山 地点:- 浏览次数:3908 提问时间:07-29 15:57
我有更好的答案
提 交
1条回答
60user55 08-08 12:38

47.运算放大器稳压电源电路之二.gif


该电源所用元件不多,但具有良好的使用性能。当输入与输出电

故。该电源在输入电压为16—30V时,输出电压为12V,电流1A,内阻<0.0010,电压稳

定度为0. 05%,纹波电压峰值<25mV。

    选择适当的分压电阻民、风或相应选择稳压管vs,稳压电源的输出电压能在大范围内变化。

   

撰写答案
提 交
1 / 3
1 / 3
相关电源电路
无噪声的的功放电源电路
LG CF-25H84彩电开关电源电路
LG MC-8AA机心彩电开关电源电路
LG MC-022A机心彩电开关电源电路
LG MC-019A机心彩电开关电源电路
相关运算放大电路
低漂移运算放大器
宽带运算放大器
单电源运算放大器电路图
使用L161的100倍增益运算放大器电路图
零漂移运算放大器
相关电源
TDA16846组成的彩电开关电源原理图
联想LX-PL4C2型彩色显示器开关电源电路
长虹CN-9机心彩电开关电源电路
索尼KV2184彩电开关电源电路
王牌TCL-3460D彩电开关电源电路