0
问答首页 最新问题 热门问题 等待回答标签广场
我要提问

电源电路运算放大电路电源

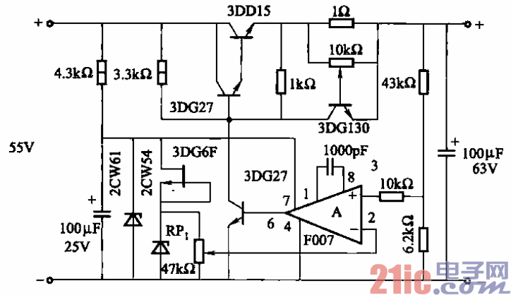
运算放大器稳压电源电路之五

运算放大器稳压电源电路之五
提问者:新星之火12138 地点:- 浏览次数:7408 提问时间:01-13 05:35
我有更好的答案
提 交
1条回答
kingnet_52003 01-16 03:16

50.运算放大器稳压电源电路之五.gif


其输出电压o~50V连续可调。

    调节电位器RPi,可使基准电压调至Ov,此时运算放大器A的同相输入端也调整至

Ov.因此稳压电源输出也为ov。

撰写答案
提 交
1 / 3
1 / 3
相关电源电路
无噪声的的功放电源电路
LG CF-25H84彩电开关电源电路
LG MC-8AA机心彩电开关电源电路
LG MC-022A机心彩电开关电源电路
LG MC-019A机心彩电开关电源电路
相关运算放大电路
低漂移运算放大器
宽带运算放大器
单电源运算放大器电路图
使用L161的100倍增益运算放大器电路图
零漂移运算放大器
相关电源
TDA16846组成的彩电开关电源原理图
联想LX-PL4C2型彩色显示器开关电源电路
长虹CN-9机心彩电开关电源电路
索尼KV2184彩电开关电源电路
王牌TCL-3460D彩电开关电源电路