0
问答首页 最新问题 热门问题 等待回答标签广场
我要提问

家用电器数模转换电路

安装在数字式电子钟表上的模拟钟摆电路图

安装在数字式电子钟表上的模拟钟摆电路图
提问者:潘涛12345 地点:- 浏览次数:6961 提问时间:11-03 03:32
我有更好的答案
提 交
1条回答
HDbuyer 11-08 09:20

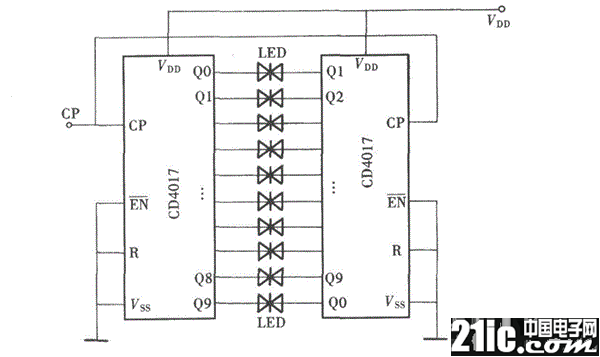
用CD4017的十个输出端随着输入时钟脉冲而移动的特性,在它的每个输出端连接一个发光二极管,随着输出端输出位置的移动,使发光二极管依次发光,可以组成一个模拟钟摆电路。将其安装在数字式电子钟表上,既可显示钟表在走动,又是一种装饰。电路的组成如图所示。


安装在数字式电子钟表上的模拟钟摆电路图

撰写答案
提 交
1 / 3
1 / 3
相关家用电器
胆机cs8412+df1700+pcm58组合,廉价好声的电路电路图
胆机PCM1793电路图
用晶体管/三极管以PWM波形来驱动风扇的电路图
胆机TDA1541NOS DAC胆版电源电路图
有正反转功能变频器的可逆电路
相关数模转换电路
二进制数模转换器电路图
DAC数模转换后缓冲低通滤波电路
DAC数模转换后缓冲低通滤波电路
一种典型的高精度数模转换器方案
一个数字角度值转换成一个模拟正弦值电路图