0
问答首页 最新问题 热门问题 等待回答标签广场
我要提问

电源电路电源

CW104-204-304型可调负输出稳压电源电路

CW104-204-304型可调负输出稳压电源电路
提问者:小佳99 地点:- 浏览次数:2160 提问时间:05-20 21:45
我有更好的答案
提 交
1条回答
tangxi123 05-21 23:31

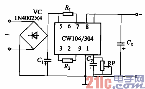
65.CW104-204-304型可调负输出稳压电源电路.gif


它采用CW104/204/304型十端可调负输出集成稳压器。其输出

电压调节范围为0—40V,电流为20mA。集成稳压器本身静态工作电流为3.5—5mA。

    图中,Ri为限流保护电阻;R2为恒流电阻;Cz、C3为滤波电容。调节电位器RP可改

变输出电压。

    如把图中负端接地,则正端即可得到正可调电压。

撰写答案
提 交
1 / 3
1 / 3
相关电源电路
无噪声的的功放电源电路
LG CF-25H84彩电开关电源电路
LG MC-8AA机心彩电开关电源电路
LG MC-022A机心彩电开关电源电路
LG MC-019A机心彩电开关电源电路
相关电源
TDA16846组成的彩电开关电源原理图
联想LX-PL4C2型彩色显示器开关电源电路
长虹CN-9机心彩电开关电源电路
索尼KV2184彩电开关电源电路
王牌TCL-3460D彩电开关电源电路