0
问答首页 最新问题 热门问题 等待回答标签广场
我要提问

电源电路电源

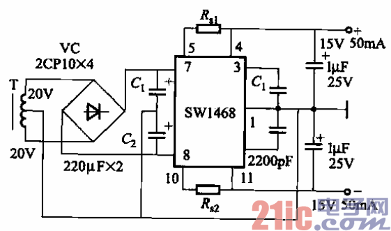
采用SW1468稳压块的双极性稳压电源电路之一

采用SW1468稳压块的双极性稳压电源电路之一
提问者:andyseu 地点:- 浏览次数:5141 提问时间:04-15 06:17
我有更好的答案
提 交
1条回答
张峰9998 04-18 18:08

66.采用SW1468稳压块的双极性稳压电源电路之一.gif


其输出电压为±15V,电流50mA。图中,R。l和R。2为限流电阻,

其值可按R。一0. 6V/心计算,Ifz为负载电流(A)。

撰写答案
提 交
1 / 3
1 / 3
相关电源电路
无噪声的的功放电源电路
LG CF-25H84彩电开关电源电路
LG MC-8AA机心彩电开关电源电路
LG MC-022A机心彩电开关电源电路
LG MC-019A机心彩电开关电源电路
相关电源
TDA16846组成的彩电开关电源原理图
联想LX-PL4C2型彩色显示器开关电源电路
长虹CN-9机心彩电开关电源电路
索尼KV2184彩电开关电源电路
王牌TCL-3460D彩电开关电源电路