0
问答首页 最新问题 热门问题 等待回答标签广场
我要提问

电源电路电源

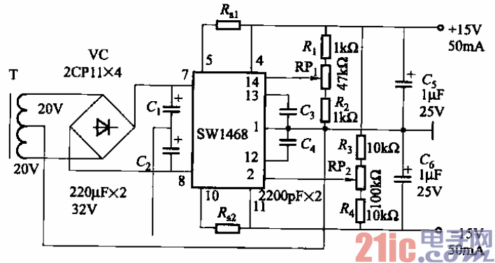
采用SW1468稳压块的双极性稳压电源电路之三

采用SW1468稳压块的双极性稳压电源电路之三
提问者:冷冷萧魂丶芮 地点:- 浏览次数:335 提问时间:02-11 06:34
我有更好的答案
提 交
1条回答
电子发迷友 02-15 22:11

68.采用SW1468稳压块的双极性稳压电源电路之三.gif


其输出电压调节范围为士9—士20V。电位器RPi用于调节输出

电压.RPz用于调节正负输出电压的平衡。

撰写答案
提 交
1 / 3
1 / 3
相关电源电路
无噪声的的功放电源电路
LG CF-25H84彩电开关电源电路
LG MC-8AA机心彩电开关电源电路
LG MC-022A机心彩电开关电源电路
LG MC-019A机心彩电开关电源电路
相关电源
TDA16846组成的彩电开关电源原理图
联想LX-PL4C2型彩色显示器开关电源电路
长虹CN-9机心彩电开关电源电路
索尼KV2184彩电开关电源电路
王牌TCL-3460D彩电开关电源电路