0
问答首页 最新问题 热门问题 等待回答标签广场
我要提问

电源电路电源

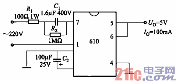
输出电压固定的MAX610稳压电源电路

输出电压固定的MAX610稳压电源电路
提问者:xzx1 地点:- 浏览次数:4389 提问时间:05-07 10:57
我有更好的答案
提 交
1条回答
小蜜蜂12346 05-13 01:57

70.输出电压固定的MAX610稳压电源电路.gif


MAX610系列交流/直流电源变换器内部设有整流电路、稳压管及限流保护电路。由它

构成的直流稳压电源,稳压性能好。其内部结构和引脚排列如图

撰写答案
提 交
1 / 3
1 / 3
相关电源电路
无噪声的的功放电源电路
LG CF-25H84彩电开关电源电路
LG MC-8AA机心彩电开关电源电路
LG MC-022A机心彩电开关电源电路
LG MC-019A机心彩电开关电源电路
相关电源
TDA16846组成的彩电开关电源原理图
联想LX-PL4C2型彩色显示器开关电源电路
长虹CN-9机心彩电开关电源电路
索尼KV2184彩电开关电源电路
王牌TCL-3460D彩电开关电源电路