0
问答首页 最新问题 热门问题 等待回答标签广场
我要提问

电源电路电源

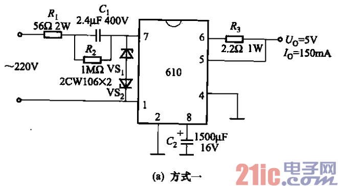
可扩展MAX610输出电流稳压电源电路a

可扩展MAX610输出电流稳压电源电路a
提问者:bctwerwer 地点:- 浏览次数:3740 提问时间:06-11 02:53
我有更好的答案
提 交
1条回答
gaheun 06-11 03:32

72.可扩展MAX610输出电流稳压电源电路a.gif


AX610系列的最大输出电流IOM =lOOmA,增接稳压管可扩展输出电流,反极性串接两只稳压管(2CW106,U:约8.2V);图14-72 (b)接一只

1N592281. 5W/7. 5V稳压管。

撰写答案
提 交
1 / 3
1 / 3
相关电源电路
无噪声的的功放电源电路
LG CF-25H84彩电开关电源电路
LG MC-8AA机心彩电开关电源电路
LG MC-022A机心彩电开关电源电路
LG MC-019A机心彩电开关电源电路
相关电源
TDA16846组成的彩电开关电源原理图
联想LX-PL4C2型彩色显示器开关电源电路
长虹CN-9机心彩电开关电源电路
索尼KV2184彩电开关电源电路
王牌TCL-3460D彩电开关电源电路