0
问答首页 最新问题 热门问题 等待回答标签广场
我要提问

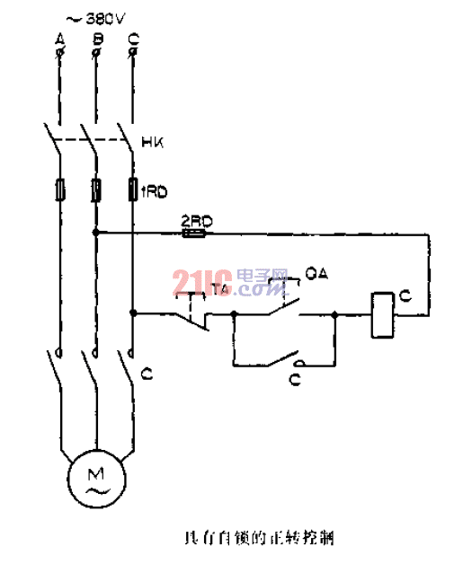
电机控制电路自锁电路

具有自锁的正转控制电路图

具有自锁的正转控制电路图
提问者:夜空城33 地点:- 浏览次数:2296 提问时间:01-19 06:42
我有更好的答案
提 交
1条回答
boju81 01-27 01:36

具有自锁的正转控制电路图.gif

撰写答案
提 交
1 / 3
1 / 3
相关电机控制电路
直流电动机正反转控制电路
直流电动机工作原理图
大功率直流电动机过流保护电路
直流电动机控制电路
.时间继电器控制正反转启动电路
相关自锁电路
有自锁(自保持)功能的开关电路图(一)
自锁开关电路
自锁式报警器电路
带自锁功能的一机多地控制电路
带自锁功能的密码锁设计原理