0
问答首页 最新问题 热门问题 等待回答标签广场
我要提问

电机控制电路电机正反转电路

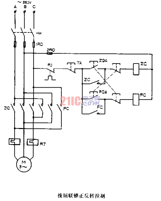
按钮联锁正反转控制

按钮联锁正反转控制
提问者:cqeqw 地点:- 浏览次数:732 提问时间:02-13 06:44
我有更好的答案
提 交
1条回答
testd001zz 02-15 13:23

按钮联锁正反转控制.gif

撰写答案
提 交
1 / 3
1 / 3
相关电机控制电路
直流电动机正反转控制电路
直流电动机工作原理图
大功率直流电动机过流保护电路
直流电动机控制电路
.时间继电器控制正反转启动电路
相关电机正反转电路
.时间继电器控制正反转启动电路
H桥式电机正反转换控制电路图
防止相同短路的正反转控制电路图
电动机正反转控制电路
用倒顺开关的正反转控制