0
问答首页 最新问题 热门问题 等待回答标签广场
我要提问

电机控制电路

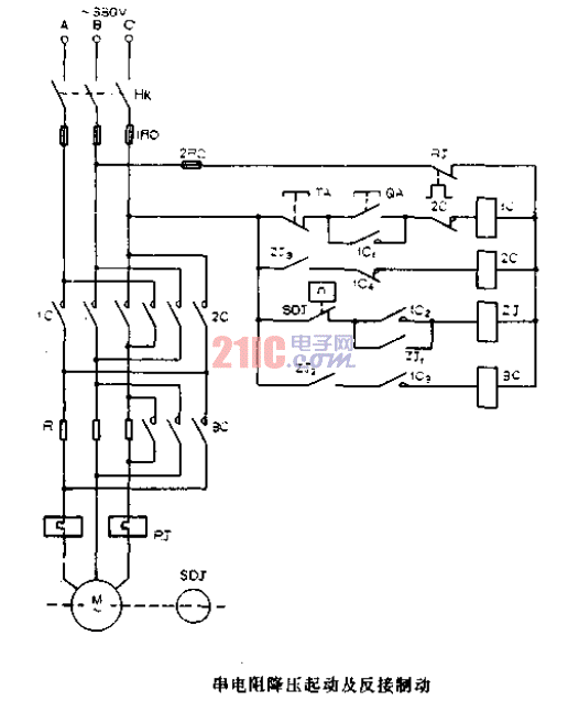
串电阻降压起动及反接制动

串电阻降压起动及反接制动
提问者:帅凌电子 地点:- 浏览次数:6342 提问时间:01-07 13:20
我有更好的答案
提 交
1条回答
wangrubing 01-10 12:35

串电阻降压起动及反接制动.gif

撰写答案
提 交
1 / 3
1 / 3
相关电机控制电路
直流电动机正反转控制电路
直流电动机工作原理图
大功率直流电动机过流保护电路
直流电动机控制电路
.时间继电器控制正反转启动电路