0
问答首页 最新问题 热门问题 等待回答标签广场
我要提问

电源电路继电器控制电路电源

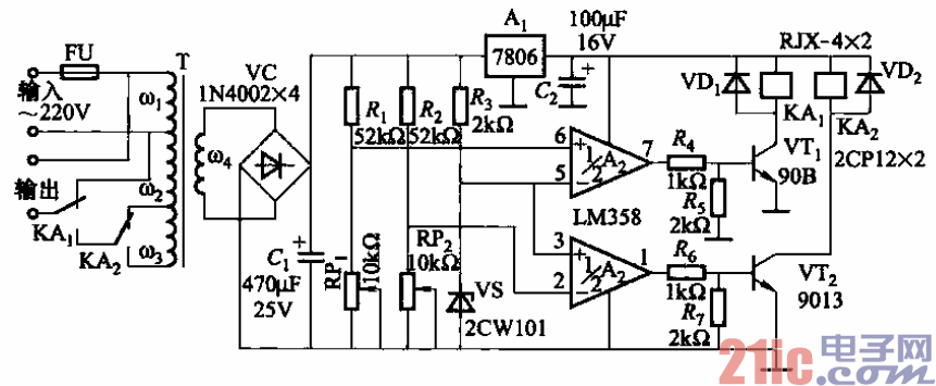
继电器控制的自耦变压器式交流稳压电源电路之四

继电器控制的自耦变压器式交流稳压电源电路之四
提问者:60user25 地点:- 浏览次数:1597 提问时间:12-31 20:31
我有更好的答案
提 交
1条回答
xufang20160719 01-04 07:46

82.继电器控制的自耦变压器式交流稳压电源电路之四.gif


它采用两个LM358运算放大器Ar和A2作为上限电压和下限电

压的测量比较控制电路。调节电位器RPi和RP2,可改变上限电压和下限电压设定值。

撰写答案
提 交
1 / 3
1 / 3
相关电源电路
无噪声的的功放电源电路
LG CF-25H84彩电开关电源电路
LG MC-8AA机心彩电开关电源电路
LG MC-022A机心彩电开关电源电路
LG MC-019A机心彩电开关电源电路
相关继电器控制电路
继电器低功耗保持电路图
.时间继电器控制正反转启动电路
继电器低功耗保持电路图
继电器输出简单的光束报警电路图
家用电器红外遥控接收电路图
相关电源
TDA16846组成的彩电开关电源原理图
联想LX-PL4C2型彩色显示器开关电源电路
长虹CN-9机心彩电开关电源电路
索尼KV2184彩电开关电源电路
王牌TCL-3460D彩电开关电源电路