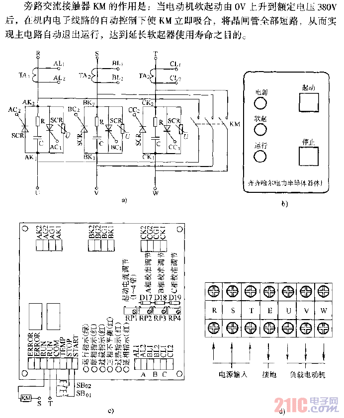
0
问答首页 最新问题 热门问题 等待回答标签广场
我要提问

电机控制电路电动机起动电路

电力WJR旁路型电动机软起动器

电力WJR旁路型电动机软起动器
提问者:金硕电子采购小耿 地点:- 浏览次数:7444 提问时间:03-02 02:26
我有更好的答案
提 交
1条回答
bctwerwer 03-09 21:18

电力WJR旁路型电动机软起动器.gif

撰写答案
提 交
1 / 3
1 / 3
相关电机控制电路
直流电动机正反转控制电路
直流电动机工作原理图
大功率直流电动机过流保护电路
直流电动机控制电路
.时间继电器控制正反转启动电路
相关电动机起动电路
正存ZLDB用于电动机星.三角起动器电路图
西普STR软起动器一台起动两台电动机
电动机星三角降压起动电路图
两台电动机顺序起动停止控制电路b
直流电动机使用变阻器起动控制的电路图