0
问答首页 最新问题 热门问题 等待回答标签广场
我要提问

电源电路电源

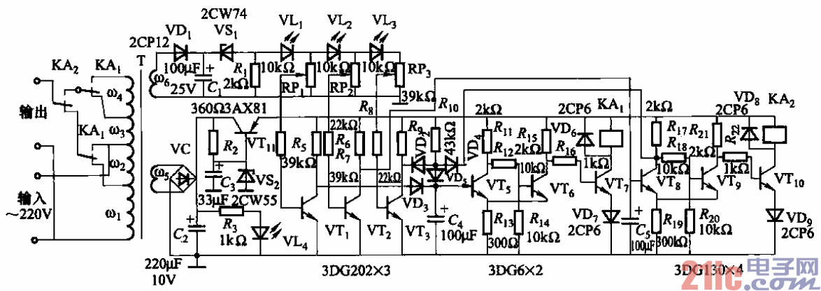
晶体管驱动的交流稳压电源电路

晶体管驱动的交流稳压电源电路
提问者:sunbai 地点:- 浏览次数:7295 提问时间:03-21 08:13
我有更好的答案
提 交
1条回答
kaishengdianzi 03-21 13:13

89.晶体管驱动的交流稳压电源电路.gif


用继电器换接自耦变压器抽头的方式调压,具有简单、经济、调压范围较宽等优点,

缺点是稳压性能较差,阶段调压,调整不当时易造成失控。

    电路如图所示。该电路在电源电压为170~250V范围变化时,输出电压维持在

220V士10V以内,稳压器容量为150V.A。

    电路中各元件的工作状态见表

撰写答案
提 交
1 / 3
1 / 3
相关电源电路
无噪声的的功放电源电路
LG CF-25H84彩电开关电源电路
LG MC-8AA机心彩电开关电源电路
LG MC-022A机心彩电开关电源电路
LG MC-019A机心彩电开关电源电路
相关电源
TDA16846组成的彩电开关电源原理图
联想LX-PL4C2型彩色显示器开关电源电路
长虹CN-9机心彩电开关电源电路
索尼KV2184彩电开关电源电路
王牌TCL-3460D彩电开关电源电路