0
问答首页 最新问题 热门问题 等待回答标签广场
我要提问

电源电路电源

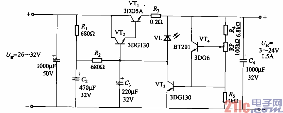
稳压电源过载指示电路之二

稳压电源过载指示电路之二
提问者:60user124 地点:- 浏览次数:7056 提问时间:02-23 05:50
我有更好的答案
提 交
1条回答
璐璐菲菲FFF 02-26 18:24

96.稳压电源过载指示电路之二.gif


它采用发光二极管VL

作指示灯。正常时,VL熄灭,过载时,VL点亮。

过载设定值由取样电阻R3决定,可试验确定。它可用电阻丝自制。

撰写答案
提 交
1 / 3
1 / 3
相关电源电路
无噪声的的功放电源电路
LG CF-25H84彩电开关电源电路
LG MC-8AA机心彩电开关电源电路
LG MC-022A机心彩电开关电源电路
LG MC-019A机心彩电开关电源电路
相关电源
TDA16846组成的彩电开关电源原理图
联想LX-PL4C2型彩色显示器开关电源电路
长虹CN-9机心彩电开关电源电路
索尼KV2184彩电开关电源电路
王牌TCL-3460D彩电开关电源电路