
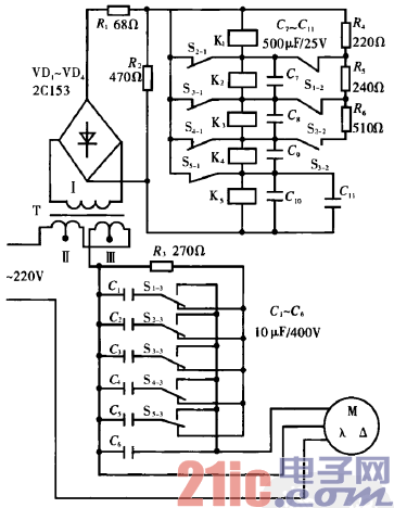
电路工作原理:该电路由电流互感器T,整流器VD,~ VD4,
继电器K.一Ks及电容器C.一C6等几部分组成。电容器C.一C6
的容量是根据电动机工作在空转和最小负载状态下计算的,在该
状态下,电动机所消耗的电流不大,整流器输出端上的电压不足
以使继电器动作。随着负载增加,电动机消耗的电流增加,导致
继电器K.一如回路上的电压增加,在继电器Ks不动作时,其触
点S,一,将其余继电器的绕组旁路,直到整流器输出电压增加到使
继电器K,动作时,其触点S,+,将电容器c5与C6并联,增加了相
移电容器的容量。K5动作后,触点S,一,释放。此时整流器的输出
电压在继电器K4与Ks绕组之间均匀分配。由于Ks绕组上的电
压仍大于释放电压,所以Ks仍接通,而K4由于其绕组上的电压
小于动作电压而不动作。当电动机的负载进一步增加时,电动机
消耗的电流继续增大,将引起继电器K。动作,以此类推。当电
动机的负载减小时,继电器将按相反的次序依次断开。