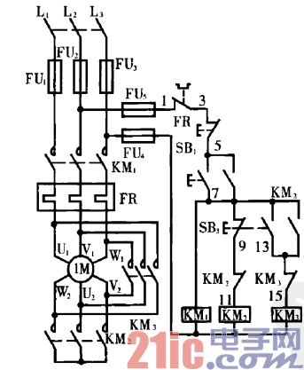
电机控制电路

电路工作原理:Y-△降压启动是指电动机启动时,把定子
绕组接成星(Y)形,以降低启动电压,限制启动电流。待电动
机启动后,再把定子绕组自动改接成三角(△)形,使电动机全
压运行。凡是在正常运行时定子绕组作△形连接的异步电动机,
均可采用这种降压启动方法。当电动机启动连接成Y形时,其加
在每组定子绕组上的启动电压只有△形接法的l/[j(约58%),
且启动电流为△形接法的1/3,从而减小了启动电流对电网的影
响。当转速接近额定转速时,定子绕组改接为△形,使电动机在
正常额定电压下运转。