0
问答首页 最新问题 热门问题 等待回答标签广场
我要提问

电机控制电路电源

三相电源相序专用电路

三相电源相序专用电路
提问者:杀狼000 地点:- 浏览次数:8091 提问时间:09-22 22:42
我有更好的答案
提 交
1条回答
60user59 09-28 05:46

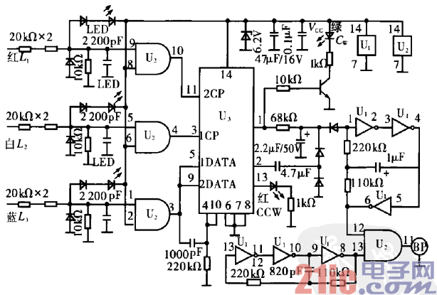
17.三相电源相序专用电路.gif


电路工作原理:当把相序表的红、白、蓝三根线接上三相

电,并且三相全有电时,三个黄色LED亮,当相位正确时(红、

白、蓝分别对应接三相电的L1、L2、L3),绿色发光管亮,蜂鸣

器发出间歇的报警声;当相位不正确时,红色发光管亮,蜂鸣器

发出持续报警声。如果发生缺相时,对应开路的那一路黄色发光

管熄灭,红、绿色发光管不亮,蜂鸣器发出持续报警声。

撰写答案
提 交
1 / 3
1 / 3
相关电机控制电路
直流电动机正反转控制电路
直流电动机工作原理图
大功率直流电动机过流保护电路
直流电动机控制电路
.时间继电器控制正反转启动电路
相关电源
TDA16846组成的彩电开关电源原理图
联想LX-PL4C2型彩色显示器开关电源电路
长虹CN-9机心彩电开关电源电路
索尼KV2184彩电开关电源电路
王牌TCL-3460D彩电开关电源电路