0
问答首页 最新问题 热门问题 等待回答标签广场
我要提问

电源电路电源

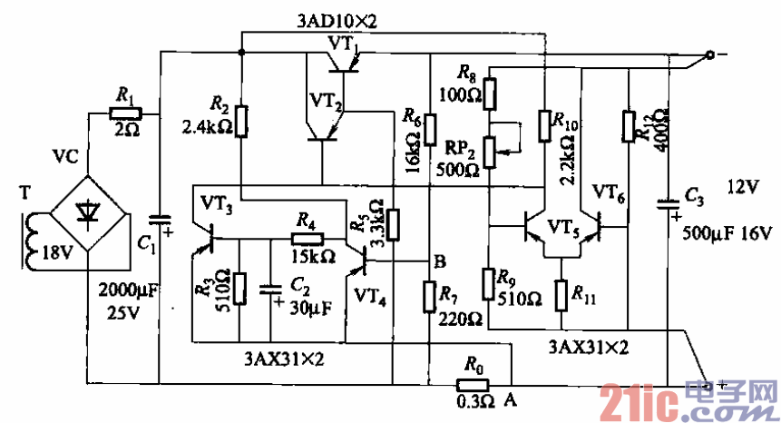
具有差动放大器及过电流保护的稳压电源电路之二

具有差动放大器及过电流保护的稳压电源电路之二
提问者:水木清华pretty 地点:- 浏览次数:1594 提问时间:02-22 06:31
我有更好的答案
提 交
1条回答
缘来伴一生 02-24 14:09

106.具有差动放大器及过电流保护的稳压电源电路之二.gif


由三极管VTa、VT4、检测电阻Ro等组成过流保护电路。

    该电源在过流或短路故障消除后,不能恢复正常工作状态(因为VT3导通条件没变,输

出电压仍为零)。若要复位,必须重新合闸或在VTa的集电极回路中串联一只复位按钮才行。

    图中,电容Cz在电源合闸时起延时作用,保证VT4先导通,从而建立起输出电压;电

阻Rs的作用是保证调整管VTi有一个合适盼偏流。

撰写答案
提 交
1 / 3
1 / 3
相关电源电路
无噪声的的功放电源电路
LG CF-25H84彩电开关电源电路
LG MC-8AA机心彩电开关电源电路
LG MC-022A机心彩电开关电源电路
LG MC-019A机心彩电开关电源电路
相关电源
TDA16846组成的彩电开关电源原理图
联想LX-PL4C2型彩色显示器开关电源电路
长虹CN-9机心彩电开关电源电路
索尼KV2184彩电开关电源电路
王牌TCL-3460D彩电开关电源电路