0
问答首页 最新问题 热门问题 等待回答标签广场
我要提问

电源电路电源

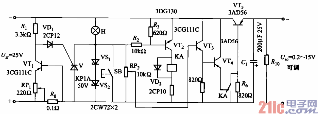
带过电流和短路保护的稳压电源电路之一

带过电流和短路保护的稳压电源电路之一
提问者:mvueyrswer 地点:- 浏览次数:6051 提问时间:09-02 23:56
我有更好的答案
提 交
1条回答
q893511030 09-09 23:44

107.带过电流和短路保护的稳压电源电路之一.gif


该电路当故障消除后不能自动恢复工作。若要恢复工作,需按

动一下复位按钮SB。

    稳压器的输出电压可以通过电位器RPz在0.2~15V范围调节,而负载最大电流(在此

电流下可起保护作用)可以调节微调电阻RPi加以确定。当VTs安装散热器,且输出电压

为15V的情况下,稳压器可长期通过1A

的电流,或者在30—40min(决定于调整

管散热器空气对流条件)为2~3A。

撰写答案
提 交
1 / 3
1 / 3
相关电源电路
无噪声的的功放电源电路
LG CF-25H84彩电开关电源电路
LG MC-8AA机心彩电开关电源电路
LG MC-022A机心彩电开关电源电路
LG MC-019A机心彩电开关电源电路
相关电源
TDA16846组成的彩电开关电源原理图
联想LX-PL4C2型彩色显示器开关电源电路
长虹CN-9机心彩电开关电源电路
索尼KV2184彩电开关电源电路
王牌TCL-3460D彩电开关电源电路