0
问答首页 最新问题 热门问题 等待回答标签广场
我要提问

电机控制电路步进电机电路

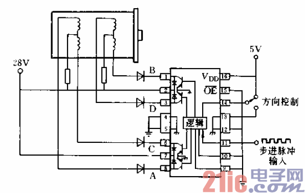
UCN5804B四相步进电动机驱动器电路

UCN5804B四相步进电动机驱动器电路
提问者:loujie39 地点:- 浏览次数:6988 提问时间:01-08 02:29
我有更好的答案
提 交
1条回答
lorddd 01-12 06:10

2.UCN5804B四相步进电动机驱动器电路.gif


逻辑部分包括顺序逻辑、方向、输出使能(OUTPUT EN-

ABLE)控制和复位功能。逻辑电源VOD推荐采用+.sv。15脚OE

为高电平时,全部四个输出(1、3、6、8脚)为截止状态;当它

为低电平时,输出状态取决于顺序逻辑。

撰写答案
提 交
1 / 3
1 / 3
相关电机控制电路
直流电动机正反转控制电路
直流电动机工作原理图
大功率直流电动机过流保护电路
直流电动机控制电路
.时间继电器控制正反转启动电路
相关步进电机电路
舞蹈机器人步进电机驱动电路和程序设计
SAA1042步进电动机控制电路
两二相步进电机驱动器原理图
步进电机驱动电路原理图
一款可调精密步进电机控制电路