
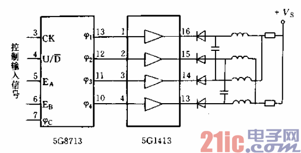
是采用国产SG8713外接5G1413达林顿晶体
管阵列驱动集成电路,再驱动四相绕组。它适用于电压小于50V、
相绕组电流峰值小于250mA的情况。5G1413输入端巳在内部串
有2. 7ktl限流电阻,因此可直接与5G8713输出端连接。
脉冲分配器过去曾称为“环形分配器”,这是由于它早期是用
分立的环形计数器构成的原故。用微机控制步进电动机,若将此
分配器功能由CPU软件代替,俗称为“软环分”,CPU多个并行
口输出各相分配脉冲信号,直接控制功率驱动级,称为直接控制
法。另一种是间接控制法,CPU进行插补运算,给出每台电机转
速指令,从CPU两个并行口输出步进脉冲和方向信号(或正反脉
冲),送给PMM8713等脉冲分配器,让硬件完成脉冲分配任务,从
而减轻CPU的负担。