0
问答首页 最新问题 热门问题 等待回答标签广场
我要提问

电源电路保护电路电源

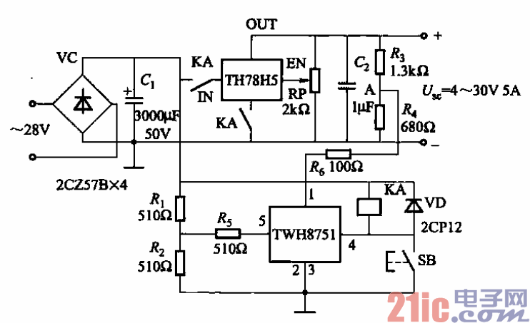
TH78H5可调集成稳压器电源的过电流保护电路

TH78H5可调集成稳压器电源的过电流保护电路
提问者:60user99 地点:- 浏览次数:1907 提问时间:01-21 10:19
我有更好的答案
提 交
1条回答
tyewybvwe 01-21 14:07

109.TH78H5可调集成稳压器电源的过电流保护电路.gif


电路是一个由TH78H5精

密四端可调集成稳压器组成的稳压电源。

该电源具有输出电压可调范围宽、输出电流大、外围元件少、无需调试等优点。缺点是

TH78H5集成稳压器瞬间过载能力很差,使用时必须加过载保护。图中,由一块TWH8751

作过载保护。

    正常时,继电器KA吸合。当稳压电源过载或短路时,A点电压低于1.6V,KA释放,

切断TH78H5工作电源,达到保护的目的。

    调节电阻R4,可改变过电流设定值。调节RP,可改变输出电压值。

撰写答案
提 交
1 / 3
1 / 3
相关电源电路
无噪声的的功放电源电路
LG CF-25H84彩电开关电源电路
LG MC-8AA机心彩电开关电源电路
LG MC-022A机心彩电开关电源电路
LG MC-019A机心彩电开关电源电路
相关保护电路
采用限流保护电路的100W功率放大器
典型开关电源保护电路
音频功率放大电路和喇叭保护电路原理图
开关电源模块化设计及继电保护电路设计 —电路图天天读(247)
数控开关电源过流保护电路图
相关电源
TDA16846组成的彩电开关电源原理图
联想LX-PL4C2型彩色显示器开关电源电路
长虹CN-9机心彩电开关电源电路
索尼KV2184彩电开关电源电路
王牌TCL-3460D彩电开关电源电路