
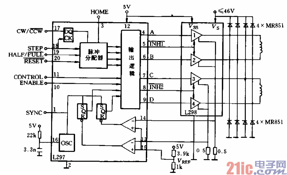
L297单片步进电动机控制器集成电路适用于双极性两相步
进电动机或单极性四相步进电动机的控制。用L297输出信号可
控制L298双H桥驱动集成电路,用来驱动电压为46V,每相电流
为2. 5A以下的步进电动机。L297也可用来控制由达林顿晶体管
组成的分立电路,驱动更高电压、更大电流的步进电动机。L297
采用固定斩波频率的PWM恒流斩波方式工作。
1.L297步进电动机控制器L297采用模拟/数字电路兼容
的I2L工艺,20脚DIP塑料封装,常LJ+5V供电,全部信号线是
TTL/CMOS兼容。