0
问答首页 最新问题 热门问题 等待回答标签广场
我要提问

电源电路保护电路电源

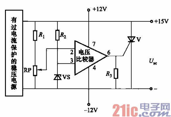
稳压电源过电流保护电路之二

稳压电源过电流保护电路之二
提问者:Sabrina_cc 地点:- 浏览次数:7729 提问时间:02-11 17:33
我有更好的答案
提 交
1条回答
spoondrift 02-19 13:31

111.稳压电源过电流保护电路之二.gif


它采用运算放大器作过电压探测、比较、控制元件。当过电压

时,晶闸管V导通,稳压电源输出被V短路,输出电流剧增,此时过电流保护再起作用,

从而起到过电压、过电流保护的目的。

撰写答案
提 交
1 / 3
1 / 3
相关电源电路
无噪声的的功放电源电路
LG CF-25H84彩电开关电源电路
LG MC-8AA机心彩电开关电源电路
LG MC-022A机心彩电开关电源电路
LG MC-019A机心彩电开关电源电路
相关保护电路
采用限流保护电路的100W功率放大器
典型开关电源保护电路
音频功率放大电路和喇叭保护电路原理图
开关电源模块化设计及继电保护电路设计 —电路图天天读(247)
数控开关电源过流保护电路图
相关电源
TDA16846组成的彩电开关电源原理图
联想LX-PL4C2型彩色显示器开关电源电路
长虹CN-9机心彩电开关电源电路
索尼KV2184彩电开关电源电路
王牌TCL-3460D彩电开关电源电路