0
问答首页 最新问题 热门问题 等待回答标签广场
我要提问

电源电路保护电路过流保护电路直流电路电源

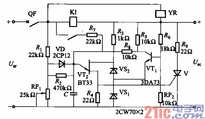
直流电源过电压、欠电压及过流保护电路

直流电源过电压、欠电压及过流保护电路
提问者:nckznc 地点:- 浏览次数:8835 提问时间:03-03 13:00
我有更好的答案
提 交
1条回答
liuanzhong 03-08 01:16

115.直流电源过电压、欠电压及过流保护电路.gif


该保护电路在直流电源输入电压大于30V或小于18V或负载电

流超过35A时,晶闸管都将被触发导

通,致使断路器QF跳闸。图中,YR

为断路器QF的脱扣线圈;KI为过电

流继电器。

撰写答案
提 交
1 / 3
1 / 3
相关电源电路
无噪声的的功放电源电路
LG CF-25H84彩电开关电源电路
LG MC-8AA机心彩电开关电源电路
LG MC-022A机心彩电开关电源电路
LG MC-019A机心彩电开关电源电路
相关保护电路
采用限流保护电路的100W功率放大器
典型开关电源保护电路
音频功率放大电路和喇叭保护电路原理图
开关电源模块化设计及继电保护电路设计 —电路图天天读(247)
数控开关电源过流保护电路图
相关过流保护电路
数控开关电源过流保护电路图
集成运算放大器输出过流保护电路原理
长虹NC-3机芯场过流保护电路
大功率直流电机的过流保护电路图
大功率直流电动机过流保护电路
相关直流电路
直流功率计电路图
直流伺服恒流功放电路图
交直流两用功放电路制作
纯直流场效应管功放电路原理图
直流电机的可逆原理
相关电源
TDA16846组成的彩电开关电源原理图
联想LX-PL4C2型彩色显示器开关电源电路
长虹CN-9机心彩电开关电源电路
索尼KV2184彩电开关电源电路
王牌TCL-3460D彩电开关电源电路