0
问答首页 最新问题 热门问题 等待回答标签广场
我要提问

电机控制电路电源

一种仅用5V电源的连接电路

一种仅用5V电源的连接电路
提问者:周小舟1 地点:- 浏览次数:6659 提问时间:02-06 19:40
我有更好的答案
提 交
1条回答
成长的小师弟 02-14 04:30

5.一种仅用5V电源的连接电路.gif


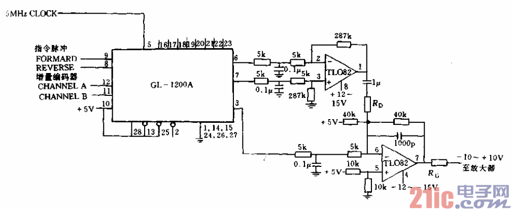
被误差处理环节转换为脉宽调制(PWM)信号,从3脚输出(MC

  信号)。同时,还计算出位置误差的微分,它代表丁运动速度,从

  6和7脚选出,作为系统阻尼用。它们一个正比于正速度,另一个

  正比于负速度。两个信号在外接运算放大器中转换成模拟阻尼信

  号。用另一个运算放大器可以将位置误差和阻尼信号合成为一个

  模拟信号,用来控制未级功率放大器,驱动直流电动机。(参见图

  13-17)。系统的增益和阻尼可由RD和R.两个电阻来调节,咀优

  化系统的性能。

撰写答案
提 交
1 / 3
1 / 3
相关电机控制电路
直流电动机正反转控制电路
直流电动机工作原理图
大功率直流电动机过流保护电路
直流电动机控制电路
.时间继电器控制正反转启动电路
相关电源
TDA16846组成的彩电开关电源原理图
联想LX-PL4C2型彩色显示器开关电源电路
长虹CN-9机心彩电开关电源电路
索尼KV2184彩电开关电源电路
王牌TCL-3460D彩电开关电源电路