0
问答首页 最新问题 热门问题 等待回答标签广场
我要提问

电机控制电路步进电机电路

PPMC与步进电动机专用驱动集成电路的连接

PPMC与步进电动机专用驱动集成电路的连接
提问者:xufang20160719 地点:- 浏览次数:6435 提问时间:03-04 10:01
我有更好的答案
提 交
1条回答
欧阳大大 03-06 21:00

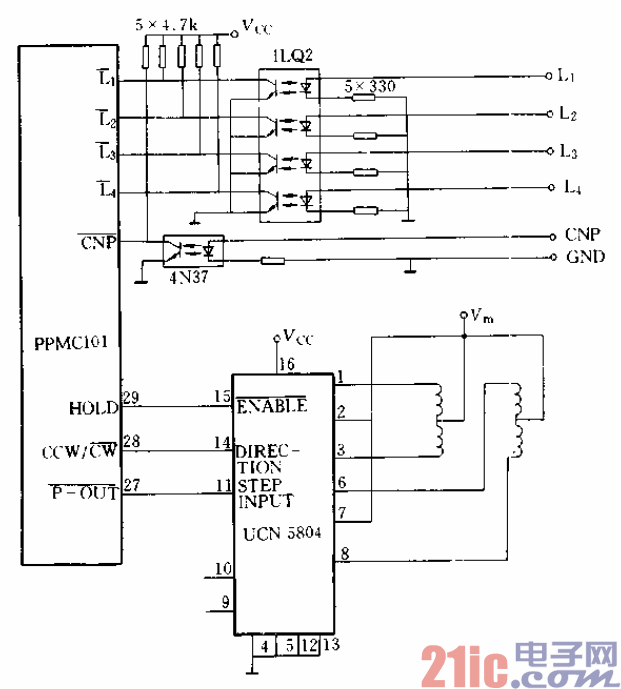
8.PPMC与步进电动机专用驱动集成电路的连接.gif


展示了PPMC外接UChl 5804四相步进电动机驱

动集成电路的示倒。它利用了P-OUT、ccw/cw和HOLD输出。

利用UCN5804的9和10脚逻辑电平可以设置电动机作两相整

步、单相整步、半步等三种不同激励方式运动。在此图中,还显

示了五种限位开关与PPMC之间经光耦合器的连接情况。

撰写答案
提 交
1 / 3
1 / 3
相关电机控制电路
直流电动机正反转控制电路
直流电动机工作原理图
大功率直流电动机过流保护电路
直流电动机控制电路
.时间继电器控制正反转启动电路
相关步进电机电路
舞蹈机器人步进电机驱动电路和程序设计
SAA1042步进电动机控制电路
两二相步进电机驱动器原理图
步进电机驱动电路原理图
一款可调精密步进电机控制电路