0
问答首页 最新问题 热门问题 等待回答标签广场
我要提问

电源电路保护电路电源

简易交流电源短路保护电路

简易交流电源短路保护电路
提问者:ishddfh 地点:- 浏览次数:6961 提问时间:12-13 03:32
我有更好的答案
提 交
1条回答
pmet 12-19 13:50

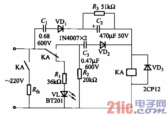
117.简易交流电源短路保护电路.gif


交流电源电压正常时,继电器吸合,接通负载(Rfz)回路。当

负载发生短路故障时,KA两端电压迅速下降,KA释放,切断负载回路。同时,发光二极

管VL点亮,指示电路发生短路。

撰写答案
提 交
1 / 3
1 / 3
相关电源电路
无噪声的的功放电源电路
LG CF-25H84彩电开关电源电路
LG MC-8AA机心彩电开关电源电路
LG MC-022A机心彩电开关电源电路
LG MC-019A机心彩电开关电源电路
相关保护电路
采用限流保护电路的100W功率放大器
典型开关电源保护电路
音频功率放大电路和喇叭保护电路原理图
开关电源模块化设计及继电保护电路设计 —电路图天天读(247)
数控开关电源过流保护电路图
相关电源
TDA16846组成的彩电开关电源原理图
联想LX-PL4C2型彩色显示器开关电源电路
长虹CN-9机心彩电开关电源电路
索尼KV2184彩电开关电源电路
王牌TCL-3460D彩电开关电源电路