0
问答首页 最新问题 热门问题 等待回答标签广场
我要提问

电机控制电路电源

用单电源的闭环速度控制

用单电源的闭环速度控制
提问者:陕西友航电子科技有限公司 地点:- 浏览次数:7114 提问时间:01-31 14:02
我有更好的答案
提 交
1条回答
yhxcsf 02-07 15:23

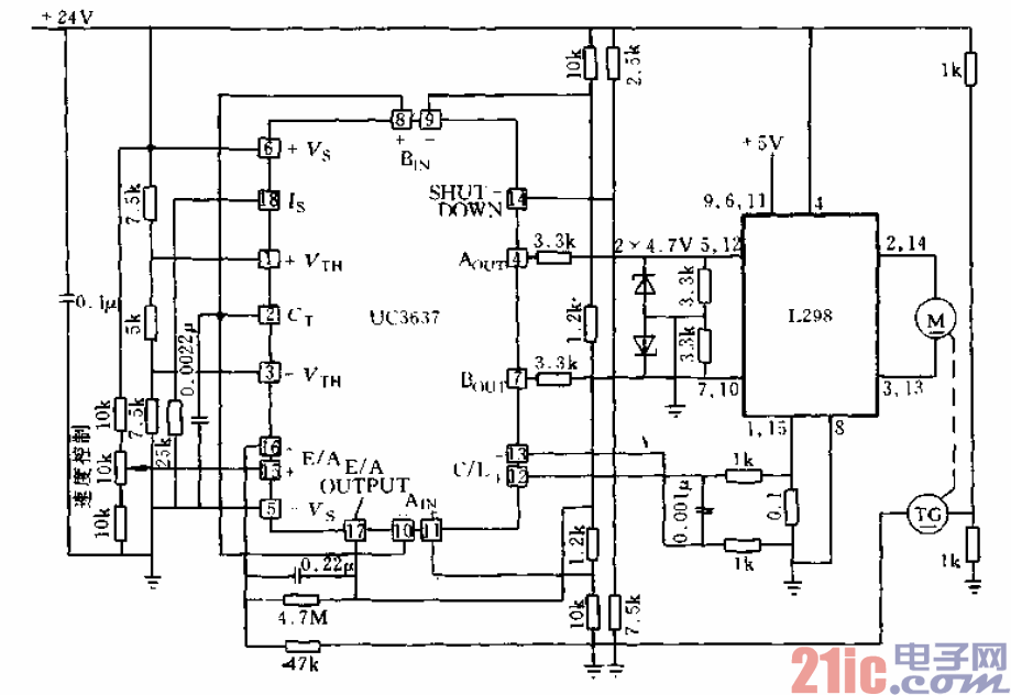
17.用单电源的闭环速度控制.gif


另一个闭环速度控制例子见图。它是用单电压电源

(24V)和用L298集成的H桥功率放大器组成。和上例一样,它

也是适用于双向速度控制的。

撰写答案
提 交
1 / 3
1 / 3
相关电机控制电路
直流电动机正反转控制电路
直流电动机工作原理图
大功率直流电动机过流保护电路
直流电动机控制电路
.时间继电器控制正反转启动电路
相关电源
TDA16846组成的彩电开关电源原理图
联想LX-PL4C2型彩色显示器开关电源电路
长虹CN-9机心彩电开关电源电路
索尼KV2184彩电开关电源电路
王牌TCL-3460D彩电开关电源电路