0
问答首页 最新问题 热门问题 等待回答标签广场
我要提问

电源电路电源

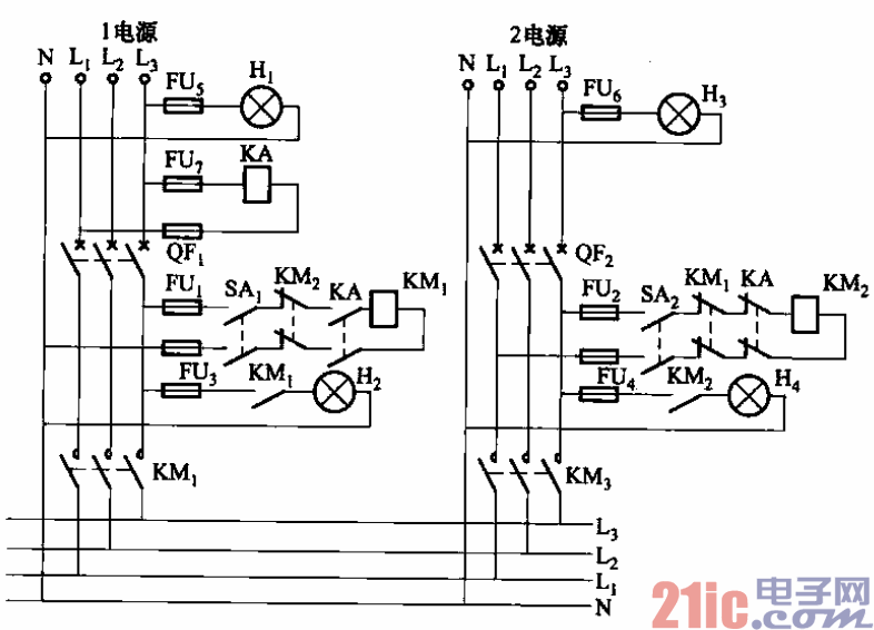
双路电源用接触器自投自复电路

双路电源用接触器自投自复电路
提问者:kingnet_520890 地点:- 浏览次数:1439 提问时间:06-01 22:56
我有更好的答案
提 交
1条回答
60user153 06-03 00:47

129.双路电源用接触器自投自复电路.gif


双路电源自投自复是指一路电源供电,一路电源备用,当供电电源断电时,备用电源立

即自动投入运行,而当供电电源恢复时,备用电源自动退出,供电电源又自动投入运行。电

路如图所示,1号电源为供电电源,2号电源为备用电源。

撰写答案
提 交
1 / 3
1 / 3
相关电源电路
无噪声的的功放电源电路
LG CF-25H84彩电开关电源电路
LG MC-8AA机心彩电开关电源电路
LG MC-022A机心彩电开关电源电路
LG MC-019A机心彩电开关电源电路
相关电源
TDA16846组成的彩电开关电源原理图
联想LX-PL4C2型彩色显示器开关电源电路
长虹CN-9机心彩电开关电源电路
索尼KV2184彩电开关电源电路
王牌TCL-3460D彩电开关电源电路