0
问答首页 最新问题 热门问题 等待回答标签广场
我要提问

电机控制电路

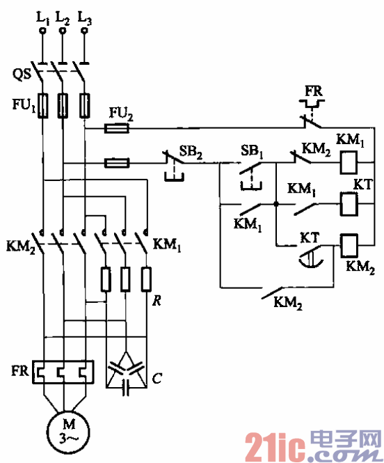
阻容复合降压启动电路

阻容复合降压启动电路
提问者:uwyywefwd 地点:- 浏览次数:6275 提问时间:02-20 00:15
我有更好的答案
提 交
1条回答
otinn 02-23 01:17

35.阻容复合降压启动电路.gif


电路如图3-35所示。该启动方式的优点是,电动机由降压启动向全电压运行的切换过

程中不间断供电,从而避免了切换过程中电流突然变化而引起的感应电压对电动机绝缘层的

损害。另外,此种方法能大幅度减小串联电阻的阻值(一般可减小80蹦左右),因此启动时

启动电阻上的能耗也将减少80%左右。

 

撰写答案
提 交
1 / 3
1 / 3
相关电机控制电路
直流电动机正反转控制电路
直流电动机工作原理图
大功率直流电动机过流保护电路
直流电动机控制电路
.时间继电器控制正反转启动电路