0
问答首页 最新问题 热门问题 等待回答标签广场
我要提问

电机控制电路

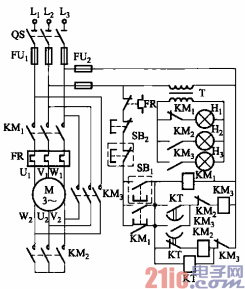
QX4系列磁力启动器自动控制Y-△降压启动电路

QX4系列磁力启动器自动控制Y-△降压启动电路
提问者:ningee 地点:- 浏览次数:10084 提问时间:06-08 14:12
我有更好的答案
提 交
1条回答
加大发发 06-15 08:48

40.QX4系列磁力启动器自动控制Y-△降压启动电路.gif


(2) QX4系列磁力启动器自动控制Y-△降压启动电路

    电路如图3-40所示。图中虚框中按钮为远控用。图中,Hi为电源(停机)指示灯,

Hz为启动指示灯,H3为运行指示灯。

撰写答案
提 交
1 / 3
1 / 3
相关电机控制电路
直流电动机正反转控制电路
直流电动机工作原理图
大功率直流电动机过流保护电路
直流电动机控制电路
.时间继电器控制正反转启动电路