0
问答首页 最新问题 热门问题 等待回答标签广场
我要提问

电机控制电路

QX1、QX2系列磁力启动器Y-△降压启动电路

QX1、QX2系列磁力启动器Y-△降压启动电路
提问者:cmh29 地点:- 浏览次数:6481 提问时间:06-14 12:48
我有更好的答案
提 交
1条回答
xbxsxj 06-22 10:59

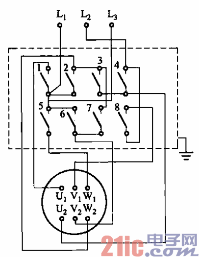
36.QX1、QX2系列磁力启动器Y-△降压启动电路.gif


电路如图3-36所示。启动器触点闭合表见表3-1。图中,Ul、Vi、wl和U2、vz、W2

分别为电动机三相定子绕组首末端。

撰写答案
提 交
1 / 3
1 / 3
相关电机控制电路
直流电动机正反转控制电路
直流电动机工作原理图
大功率直流电动机过流保护电路
直流电动机控制电路
.时间继电器控制正反转启动电路