0
问答首页 最新问题 热门问题 等待回答标签广场
我要提问

电机控制电路

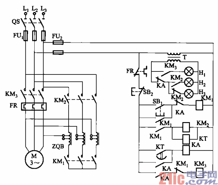
XJ01-28至75型自耦降压启动器电路

XJ01-28至75型自耦降压启动器电路
提问者:safag 地点:- 浏览次数:8587 提问时间:03-13 22:30
我有更好的答案
提 交
1条回答
ao63203 03-15 19:37

51.XJ01-28至75型自耦降压启动器电路.gif


.(2) XJ01-28—75型自耦降压启动嚣启动电路

    电路如图3-51所示。它采用三只接触器自动切换。

撰写答案
提 交
1 / 3
1 / 3
相关电机控制电路
直流电动机正反转控制电路
直流电动机工作原理图
大功率直流电动机过流保护电路
直流电动机控制电路
.时间继电器控制正反转启动电路