0
问答首页 最新问题 热门问题 等待回答标签广场
我要提问

电机控制电路

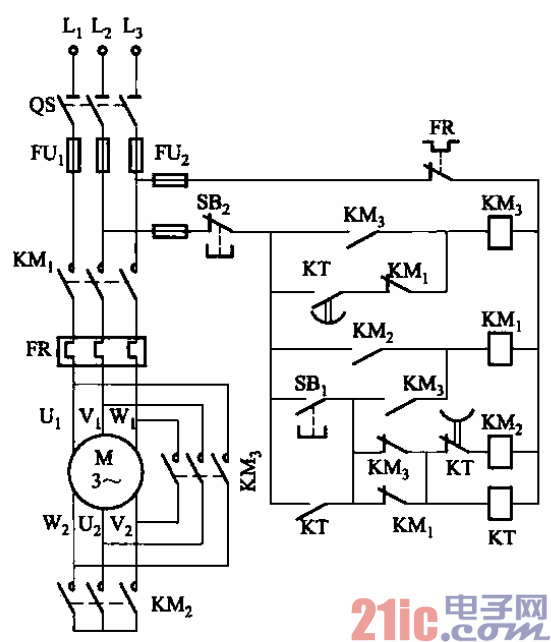
带有防止飞弧短路保护功能的Y-△降压启动电路之二

带有防止飞弧短路保护功能的Y-△降压启动电路之二
提问者:liulei007 地点:- 浏览次数:6206 提问时间:03-08 03:06
我有更好的答案
提 交
1条回答
NoKen 03-11 23:35

43.带有防止飞弧短路保护功能的Y-△降压启动电路之二.gif


(2)带防止飞弧短路保护功能的Y-△降压启动电路之二

    电路如图3-43所示,该电路能杜绝接触器触点间的飞弧短路(即使电动机带有一定负

载启动)。另外,当时间继电器KT失灵后,电动机也不会长时间在星形接线下运行而带来

危害。

撰写答案
提 交
1 / 3
1 / 3
相关电机控制电路
直流电动机正反转控制电路
直流电动机工作原理图
大功率直流电动机过流保护电路
直流电动机控制电路
.时间继电器控制正反转启动电路