0
问答首页 最新问题 热门问题 等待回答标签广场
我要提问

电机控制电路

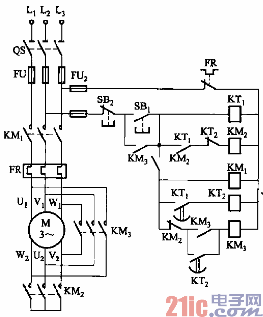
带有防止飞弧短路保护功能的Y-△降压启动电路之四

带有防止飞弧短路保护功能的Y-△降压启动电路之四
提问者:drakannie 地点:- 浏览次数:1317 提问时间:11-04 01:54
我有更好的答案
提 交
1条回答
60user9 11-06 20:14

45.带有防止飞弧短路保护功能的Y-△降压启动电路之四.gif


(4)带防止飞孤短路保护功能的Y-△降压启动电路之四

    电路如图3-45所示。它也是采用延长Y-△切换间隔时间(通过时间继电器KT延时

0. 1—0, 3s)的办法防止飞弧短路。

撰写答案
提 交
1 / 3
1 / 3
相关电机控制电路
直流电动机正反转控制电路
直流电动机工作原理图
大功率直流电动机过流保护电路
直流电动机控制电路
.时间继电器控制正反转启动电路