0
问答首页 最新问题 热门问题 等待回答标签广场
我要提问

电机控制电路

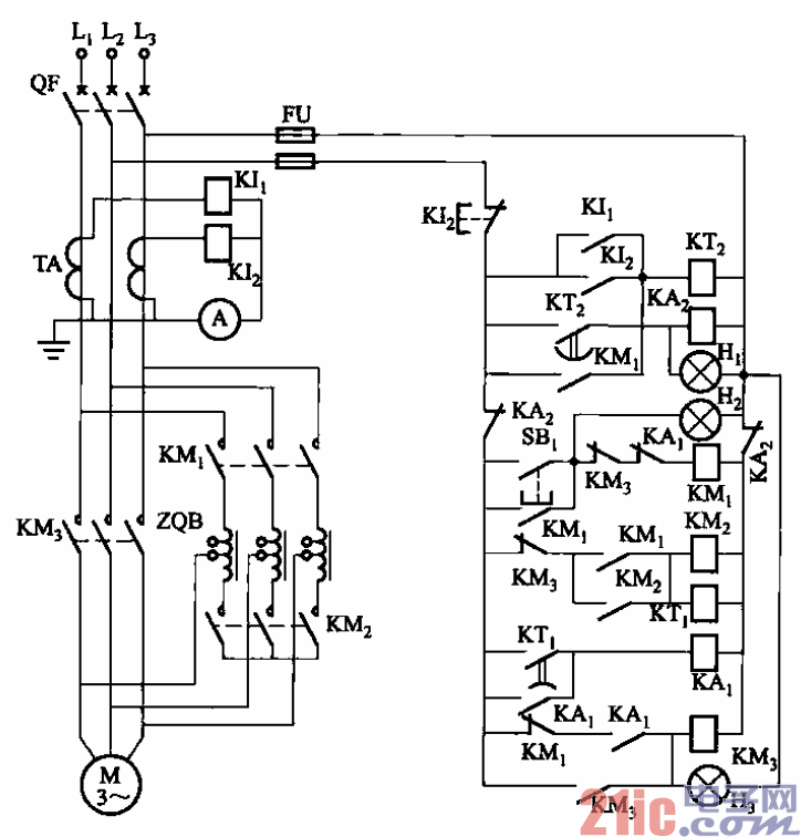
LZQ1-10-55型自耦降压启动器启动电路

LZQ1-10-55型自耦降压启动器启动电路
提问者:miweurwer 地点:- 浏览次数:4777 提问时间:06-08 11:02
我有更好的答案
提 交
1条回答
60user10 06-16 22:44

 


54.LZQ1-10-55型自耦降压启动器启动电路.gif


(2) Lzoi-10-55型自耦降压启动器启动电路

    电路如图3-54所示。它采用过电流继电器作为过载、短路保护。

 

撰写答案
提 交
1 / 3
1 / 3
相关电机控制电路
直流电动机正反转控制电路
直流电动机工作原理图
大功率直流电动机过流保护电路
直流电动机控制电路
.时间继电器控制正反转启动电路