0
问答首页 最新问题 热门问题 等待回答标签广场
我要提问

电机控制电路

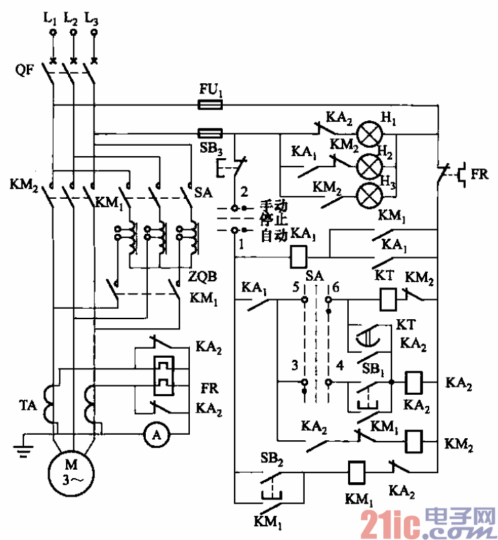
XJ01-80至300型自耦降压启动器驱动电路

XJ01-80至300型自耦降压启动器驱动电路
提问者:riverdj 地点:- 浏览次数:2435 提问时间:10-25 03:49
我有更好的答案
提 交
1条回答
panbyron 10-27 00:21

52.XJ01-80至300型自耦降压启动器驱动电路.gif


(3) XI01-80~300型自耦降压启动器启动电路

    电路如图3-52所示。它具有手动和自动两种启动方式。启动接触器KMi采用了一只五

极接触器(可订购)。

撰写答案
提 交
1 / 3
1 / 3
相关电机控制电路
直流电动机正反转控制电路
直流电动机工作原理图
大功率直流电动机过流保护电路
直流电动机控制电路
.时间继电器控制正反转启动电路