0
问答首页 最新问题 热门问题 等待回答标签广场
我要提问

电机控制电路

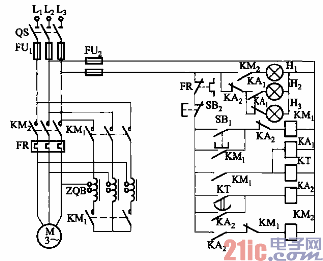
XJ10系列自耦降压启动器启动电路

XJ10系列自耦降压启动器启动电路
提问者:预言者J 地点:- 浏览次数:8863 提问时间:06-17 11:03
我有更好的答案
提 交
1条回答
tijing忽忽 06-18 22:04

53.XJ10系列自耦降压启动器启动电路.gif


(1) XjIO系列自耦降压启动器启动电路

    电路如图3-53所示。图中,H3为电源指示灯,Hz为降压启动指示灯,Hi为全压运行

指示灯。

 

撰写答案
提 交
1 / 3
1 / 3
相关电机控制电路
直流电动机正反转控制电路
直流电动机工作原理图
大功率直流电动机过流保护电路
直流电动机控制电路
.时间继电器控制正反转启动电路