0
问答首页 最新问题 热门问题 等待回答标签广场
我要提问

电机控制电路

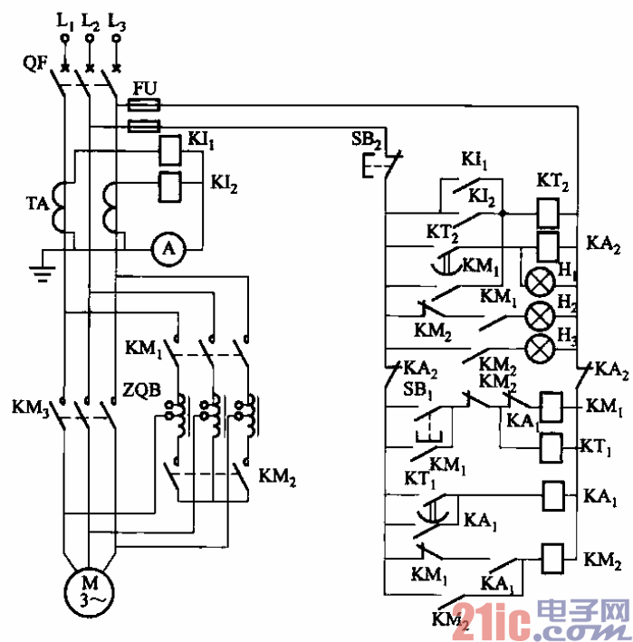
LZQ1-70-13型自耦降压启动器启动电路

LZQ1-70-13型自耦降压启动器启动电路
提问者:后天天后 地点:- 浏览次数:6492 提问时间:05-24 13:45
我有更好的答案
提 交
1条回答
不不糊法 05-26 08:00

55.LZQ1-70-13型自耦降压启动器启动电路.gif


(3) LZQl-70-13型自耦降压启动器启动电路

    电路如图3-55所示。它也采用过电流继电器作为过载、短路保护。

撰写答案
提 交
1 / 3
1 / 3
相关电机控制电路
直流电动机正反转控制电路
直流电动机工作原理图
大功率直流电动机过流保护电路
直流电动机控制电路
.时间继电器控制正反转启动电路