0
问答首页 最新问题 热门问题 等待回答标签广场
我要提问

电机控制电路

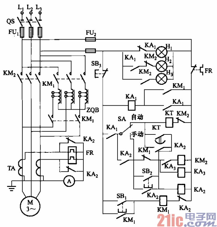
能有效保证接触器主触点熄弧的自耦降压启动电路

能有效保证接触器主触点熄弧的自耦降压启动电路
提问者:szj0213 地点:- 浏览次数:9275 提问时间:10-05 22:47
我有更好的答案
提 交
1条回答
60user22 10-14 19:51

56.能有效保证接触器主触点熄弧的自耦降压启动电路.gif


电路如图3-56所示。它具有手动和自动两种启动方式。

    在控制回路中设有KA2、KA3两只中间继电器。这样在切断KM!后和接通KMz前,

提供了一个在KMi主触点断开后保证熄弧的时间间隔,即将KMi主触点灭弧后,KMz的

主触点才能闭合。

 

撰写答案
提 交
1 / 3
1 / 3
相关电机控制电路
直流电动机正反转控制电路
直流电动机工作原理图
大功率直流电动机过流保护电路
直流电动机控制电路
.时间继电器控制正反转启动电路