0
问答首页 最新问题 热门问题 等待回答标签广场
我要提问

电机控制电路

按钮控制的自耦降压启动电路

按钮控制的自耦降压启动电路
提问者:vywyefswer 地点:- 浏览次数:6878 提问时间:02-14 11:01
我有更好的答案
提 交
1条回答
zsyat 02-16 03:45

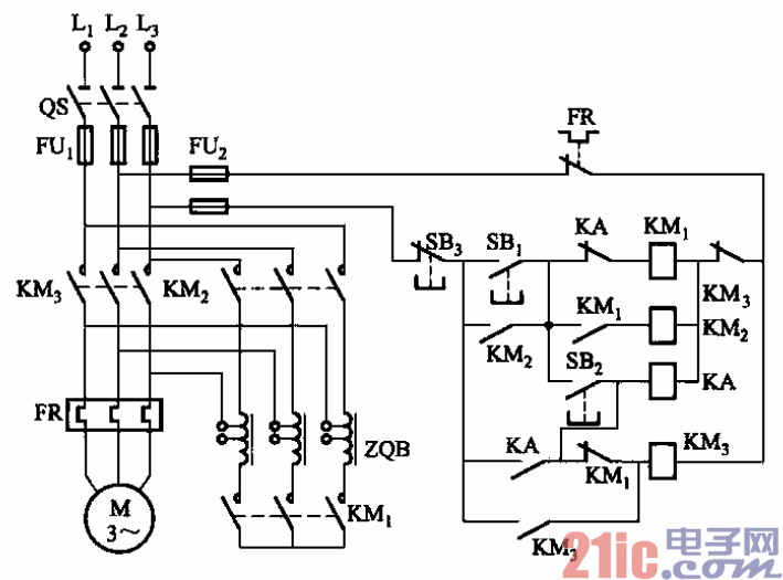
48.按钮控制的自耦降压启动电路.gif




48.    电路如图3-48所示。启动时,按下启动按钮SBi,电动机经自耦变压器降压启动,待

电动机转速接近额定转速时,按下升压按钮SB2,自耦变压器退出运行,电动机进入全电压

正常运行。

撰写答案
提 交
1 / 3
1 / 3
相关电机控制电路
直流电动机正反转控制电路
直流电动机工作原理图
大功率直流电动机过流保护电路
直流电动机控制电路
.时间继电器控制正反转启动电路