
该线路合上电源开关后,电动机并不马上起动,而要延迟一段规定的时间,可用于机床自动间歇润滑
通常的Y也形起动器是出时间继电器来控制的。时间媸电器控制的不足之处在于,不能随负载变化
自动调整起动时间。改用直流继电器控制的Y-△形起动器能根据负荷轻重在一定范围内自-动调整起动
时间。
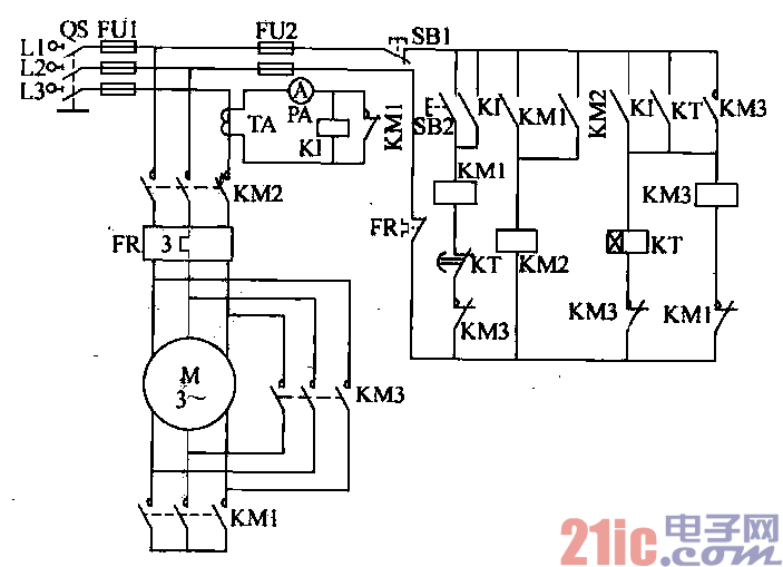
直流继电器控制的Y-△减压起动电路如图4-32所示。按下起动按钮SB2,接触器KM1得电吸合,与
此同时接触器KM2也得电吸合并自锁,KM1和KM2主触头闭合,电动机接成Y形减压起动。直流继电器
Kl受起动电流影响也随即吸合,其一组常开触点闭合保证KM1吸合,另一组动合触点闭合使时间继电器
KT得电吸合。当电流降到额定值后,KI失电释放,KM1随即释放。KM1动断触头断开,使接触器KM3
得电吸合,电动机接成△形在全压下运行,停止时只要按下停止按钮SB1即可。
KT延时断开触点的作用是保证当Kl因故障不能释放时,将KM1断开,其时限整定必须大于电动机
最长起动时间。