0
问答首页 最新问题 热门问题 等待回答标签广场
我要提问

电机控制电路

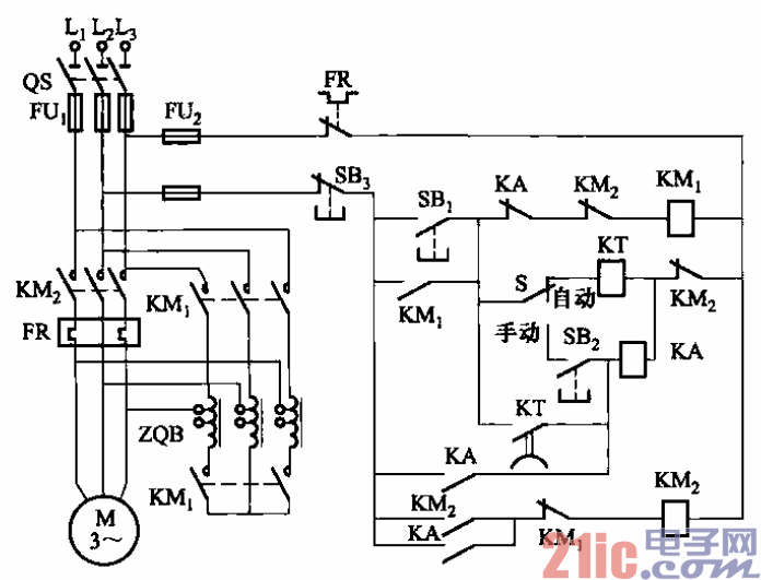
可手动和自动控制的自耦降压启动电路

可手动和自动控制的自耦降压启动电路
提问者:nvwueurwer 地点:- 浏览次数:2842 提问时间:04-14 22:35
我有更好的答案
提 交
1条回答
阿南科院 04-24 04:58

57.可手动和自动控制的自耦降压启动电路.gif


可手动和自动控制的自耦降压启动电路

撰写答案
提 交
1 / 3
1 / 3
相关电机控制电路
直流电动机正反转控制电路
直流电动机工作原理图
大功率直流电动机过流保护电路
直流电动机控制电路
.时间继电器控制正反转启动电路